Hoe kunnen we helpen?
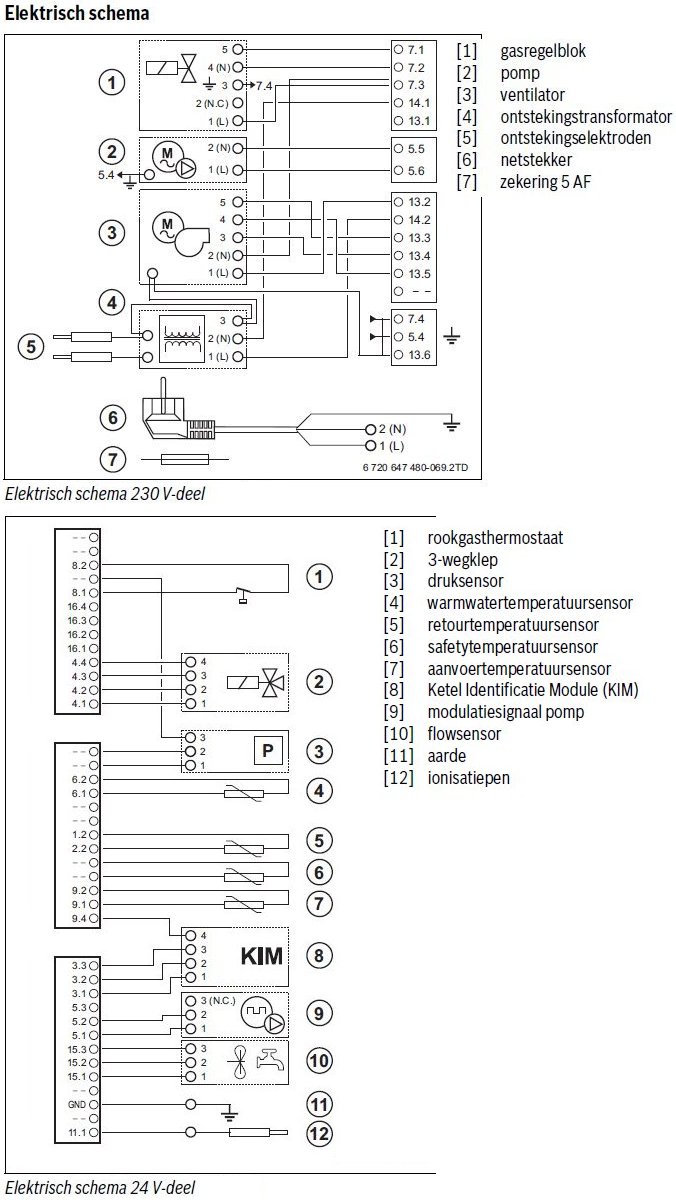
Nefit branderautomaat TRENDLINE

Nefit branderautomaat TRENDLINE 1/2 , 8738901423
NOTE:
Cust.pnr: 8718600792 Nefit Trendline I branderautomaat
Cust.pnr: 8738901423 Nefit branderautomaat Trendline 1 / 2
Trendline I : HRC25 CW4, HRC30 CW5
Trendline 1 / 2 : HRC25 CW4, HRC30 CW5, HRC25 CW4 II, HRC25 CW6 II, HRC30 CW5 II, HRC30 CW6 II


